Suche
Beschlagtechnik nach Maß
inkl. 19% MwSt. zzgl. Versand
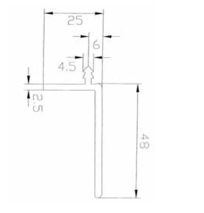
Lisene, Ausführung anthrazit, Länge 2300 mm
Leider sind noch keine Bewertungen vorhanden. Seien Sie der Erste, der das Produkt bewertet.
Sie müssen angemeldet sein um eine Bewertung abgeben zu können. Anmelden
{{.}}
{{{.}}}